2jz gte vvti progressive power steering control

Support for EMU BLACK device
Locked
magelius
Posts:36
Joined:Mon Oct 12, 2015 9:41 am
2jz gte vvti progressive power steering control

Post by magelius » Fri Feb 10, 2017 5:01 pm

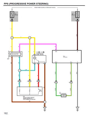
Is it possible to control the 2jz vvti progressive power steering (PPS) solenoid by 2D map? X-axis vehicle speed and y-axis PWM.

I have Aristo 2jz vvti swapped into BMW e46 and I don't know should I connect the solenoid to constant 12V, leave it unconneceted or control by PWM...I Don't have any testing results yet how hard is the steering wheel whitout solenoid. Anybody knows?
Last edited by magelius on Fri Feb 10, 2017 10:23 pm, edited 1 time in total.

WHPZach
Posts:184
Joined:Tue Oct 07, 2014 11:13 pm

Re: 2jz gte vvti progressive power steering control

Post by WHPZach » Fri Feb 10, 2017 5:14 pm

Progressive power steering was built into the steering rack on every toyota I've seen with it, it wouldn't be built into the power steering pump. If there's a solenoid on the power steering pump, that's to control fluid flow to a hydro fan

magelius
Posts:36
Joined:Mon Oct 12, 2015 9:41 am

Re: 2jz gte vvti progressive power steering control

Post by magelius » Fri Feb 10, 2017 10:22 pm

I thought that the solenoid is in the power steering pump (2-pin) and it is originally controlled by "PPS ECU".
Info from 2jz garage:
"The Aristo power steering pump has a solenoid valve for progressive power steering which the supra doesn’t"

Karel
Posts:408
Joined:Wed Sep 10, 2014 11:58 am
Location:Czech Republic
Contact:

Re: 2jz gte vvti progressive power steering control

Post by Karel » Sat Feb 11, 2017 11:31 am

Yes, i am using Aristo VVTi engine in my Silvia S15. When not powered, the steering is more heavier. If i connect it to the power source, it feels much lighter. I didnt tryed to use some progressive PWM , just on of, because drift car.....

magelius
Posts:36
Joined:Mon Oct 12, 2015 9:41 am

Re: 2jz gte vvti progressive power steering control

Post by magelius » Sun Feb 12, 2017 1:32 am

Karel wrote:Yes, i am using Aristo VVTi engine in my Silvia S15. When not powered, the steering is more heavier. If i connect it to the power source, it feels much lighter. I didnt tryed to use some progressive PWM , just on of, because drift car.....
Thanks for info! Did you connect it to +5V or +12V? Found some info that with supra the solenoid is located at the steering rack and it is +5V control.

Anyway. Would be nice feature to control this solnoid with PWM (vehicle speed dependent) via EMU.

EDIT: It seems to be +12V signal. Picture attached.
Attachments
2JZ_PPS.png

Locked