
Can't figure out fuel pump wiring!!
-
kornfed2jz
- Posts:26
- Joined:Wed May 13, 2015 1:59 am
So I been trying to wire in my fuel pump to my emu and I can't figure out why it's not working!!! I followed a couple guides and the help button diagram for fuel pump wiring which I really don't understand but I did the best of my knowledge and it won't work! Anyone have a better diagram I. An follow vehicle is a 2jz 89 supra. I have a 12 volt mod relay ran just don't understand what I am doing wrong. Here is pretty much how it's ran besides through a different fuel pump relay then the one it shows this is for a mk4 supra. 

-
kornfed2jz
- Posts:26
- Joined:Wed May 13, 2015 1:59 am
Re: Can't figure out fuel pump wiring!!
Ok I don't understand that diagram whatsoever. It confuses me and just makes me angry. If someone can explain it to me I'd appreciate it. Or just explain it as in the image I posted.
Re: Can't figure out fuel pump wiring!!
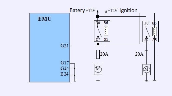
Ok, to pin 30 on relay put wire + from battery, to pin 86 goes + wire from ignition switch, from pin 87 goes wire over the 20 a fuse to the fuel pump and on the pin 85 comes signal (ground) from the emu,depending on which pin you have a wire (aux 1-6 )(G4=aux6,G5=aux3,G12=aux5,G13=aux2,G21=aux1)which you choose in emu tuning menu, there also choose how long the pump operates in the ignition.
With the "invert output"you can check if the pump is running
*G is grey plug (Connector) on emu
With the "invert output"you can check if the pump is running
*G is grey plug (Connector) on emu
Re: Can't figure out fuel pump wiring!!
Hey OP
I posted a reply on Supraforums for you.
You only need to run one ground wire from the relay, and that's directly to the EMU. You should have gotten a Chart from EMU with your ECU and they should have told you where to wire in the fuel pump. If they didn't, I will look at it when I get home.
there should be 4 wires total from the Relay.
One Ground - Connected to the ECU
One 12V constant - Connected to the Battery
One 12V Switch - Connected to a power source that will turn on when you put your key at ON Position
One Fuel Pump - Connected to the Fuel Pump.
I will post a picture of the chart for you and I will try to make a Video for you.
I posted a reply on Supraforums for you.
You only need to run one ground wire from the relay, and that's directly to the EMU. You should have gotten a Chart from EMU with your ECU and they should have told you where to wire in the fuel pump. If they didn't, I will look at it when I get home.
there should be 4 wires total from the Relay.
One Ground - Connected to the ECU
One 12V constant - Connected to the Battery
One 12V Switch - Connected to a power source that will turn on when you put your key at ON Position
One Fuel Pump - Connected to the Fuel Pump.
I will post a picture of the chart for you and I will try to make a Video for you.
Re: Can't figure out fuel pump wiring!!
hey Korn,
See below
The way I have my relay wired up
87 - 12V constant connected to the Battery with a Fuse by the Battery.
85 - 12V Switched at Ignition, (mine is wired to my HKS Timer, Power Wire)
30 - Ground Wire - Connected to my EMU, Connected to Pin #5 on the Grey plug, See chart below
86 - Connected to the Fuel pump.
There are two wires from the fuel pump, one is power and one is ground. Ground wire can be connected to the chassis anywhere you prefer, Mine is connected to a chassis bolt in the trunk by the fuel pump. The power wire is connect to the relay 86.
This is the chart I got from EMU, Grey plug, Pin #5 (looking at the EMU) is where I was told to connect my fuel pump ground. You may have a different Pin#(I think) or could be the same as me.


if you are still confused about it, let me know, I can assist you. It's pretty easy. Its confusing at first but the Ground wire must be connected to the EMU, that's what triggers it to turn on.
Sorry, I tried to record a video late last night and it didn't come out right. Ill try to take pics tonight if i remember. You can PM me your number, i can call you and walk you through it,
Thanks
See below
The way I have my relay wired up
87 - 12V constant connected to the Battery with a Fuse by the Battery.
85 - 12V Switched at Ignition, (mine is wired to my HKS Timer, Power Wire)
30 - Ground Wire - Connected to my EMU, Connected to Pin #5 on the Grey plug, See chart below
86 - Connected to the Fuel pump.
There are two wires from the fuel pump, one is power and one is ground. Ground wire can be connected to the chassis anywhere you prefer, Mine is connected to a chassis bolt in the trunk by the fuel pump. The power wire is connect to the relay 86.
This is the chart I got from EMU, Grey plug, Pin #5 (looking at the EMU) is where I was told to connect my fuel pump ground. You may have a different Pin#(I think) or could be the same as me.


if you are still confused about it, let me know, I can assist you. It's pretty easy. Its confusing at first but the Ground wire must be connected to the EMU, that's what triggers it to turn on.
Sorry, I tried to record a video late last night and it didn't come out right. Ill try to take pics tonight if i remember. You can PM me your number, i can call you and walk you through it,
Thanks
Re: Can't figure out fuel pump wiring!!
if you have traditional relay not old BMW
you should connect
30 - battery with fuse
85 - to aux output of emu
86 - switched ignition 12v
87 - to positive terminal at pump
other terminal fuel pump to the ground
this is basic of connection relays !!!!!!!!!!!!!!!!!!!!!!!!!
you should connect
30 - battery with fuse
85 - to aux output of emu
86 - switched ignition 12v
87 - to positive terminal at pump
other terminal fuel pump to the ground
this is basic of connection relays !!!!!!!!!!!!!!!!!!!!!!!!!